| Diagramme de circuit - ESP(1) |

| Diagramme de circuit - ESP(2) |

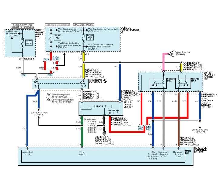
| Diagramme de circuit - ESP (3) |

| Diagramme de circuit - ESP (4) |

| Entrée/sortie du connecteur ESP |

|
Borne du connecteur |
SPÉCIFICATION |
REMARQUE |
|
|
NON |
Description |
||
|
29 |
ALLUMAGE 1 (+) |
Niveau élevé de tension d'éveil : 4,5 V < V < 16,0 V Niveau faible de tension d'éveil : V < 2,4 V Courant max.: I < 50 mA |
|
|
25 |
POS. BATTERIE 1 (ÉLECTROVANNE) |
Plage de surtension : 17,0 ± 0,5 V Plage de tension appliquée : 10,0 ± 0,5 V < V < 16,0 ± 0,5 V Plage de tension faible : 7,0 ± 0,5V < V < 9,5 ± 0,5V Courant max : I < 40 A Courant de fuite max. : I < 0,25 mA |
|
|
1 |
POS. BATTERIE 2 (MOTEUR) |
Plage de tension appliquée : 10,0 ± 0,5 V < V < 16,0 ± 0,5 V Tension de démarrage : I < 110 A Courant max. : I < 40 A Courant de fuite max. : I < 0,25 mA |
|
|
38 |
masse |
Courant nominal : I < 550 mA Courant Max. I < 40 A |
|
|
13 |
MASSE DU MOTEUR DE LA POMPE |
Tension de démarrage : I < 110 A Courant max. : I < 40 A |
|
|
11 |
Masse du capteur |
Courant nominal : I < 250 mA |
|
|
4 |
ALIMENTATION DE CAPTEUR |
Capacité de courant max. : I < 250 mA Tension maximum : V_BAT1 -0,8 V |
|
|
23 |
Interrupteur des feux de stop |
Tension d'entrée (basse) : V < 2 V Tension d'entrée (haute) : V > 6 V Courant d'entrée max. : I < 3 mA (@ 12,8 V) |
|
|
9 |
À interrupteur des freins |
||
|
22 |
Interrupteur de frein de stationnement |
Tension d'entrée (basse) : V < 2 V Tension d'entrée (haute) : V > 6 V Courant d'entrée max. : I < 5 mA (@ 12,8 V) |
|
|
35 |
Interrupteur d'embrayage |
|
|
|
28 |
SORTIE DU CAPTEUR AVANT DROIT |
Résistance externe de rappel à la source : 1 KΩ < R Cycle de marche de sortie : 50 ± 20 % |
|
|
10 |
INTERRUPTEUR ON/OFF DE l'ESP |
Tension d'entrée (basse) : V < 2 V Tension d'entrée (haute) : V > 6 V Courant d'entrée max. : I < 3 mA |
|
|
14 |
LIGNE DU CAN BUS (BAS) |
Courant d'entrée max. : I < 10 mA |
|
|
26 |
LIGNE DU CAN BUS (HAUT) |
||
|
18 |
ALIMENTATION DU CAPTEUR AVANT GAUCHE |
Tension de sortie : V_BAT1 -0,6 v ~ V_BAT1 -1,1 V Courant de sortie : max 30 mA |
|
|
34 |
ALIMENTATION DU CAPTEUR AVANT DROIT |
||
|
19 |
ALIMENTATION DU CAPTEUR ARRIÈRE GAUCHE |
||
|
33 |
ALIMENTATION DU CAPTEUR ARRIÈRE DROIT |
||
|
31 |
SIGNAL DU CAPTEUR AVANT GAUCHE |
Tension d'entrée BASSE : 5,9 ~ 8,4mA Tension d'entrée HAUTE : 11,8 ~ 16,8 mA Plage de fréquences : 1 ~ 2500 Hz Cycle de marche d'entrée : 50 ± 10 % |
Typ. 7 mA Typ. 14 mA |
|
21 |
SIGNAL DU CAPTEUR AVANT DROIT |
||
|
32 |
SIGNAL DU CAPTEUR ARRIÈRE GAUCHE |
||
|
20 |
SIGNAL DU CAPTEUR ARRIÈRE DROIT |
||
|
12 |
LIGNE CAPTEUR CAN (HAUT) |
Courant d'entrée max. : I < 10 mA |
|
|
24 |
LIGNE CAPTEUR CAN (BAS) |
||
|
15 |
CAPTEUR DANGLE DE DIRECTION PHASE A |
Cycle de marche d'entrée (STG A, STG B) : 50 ± 10% Différence de phase (STG A, STG B) : 2 ± 0,6 deg Haute-tension : 3,0 V< V_H< 4,1 V Basse-tension : 1,3 V < V_L< 2,0 V |
|
|
16 |
CAPTEUR DANGLE DE DIRECTION PHASE B |
||
|
27 |
CAPTEUR DANGLE DE DIRECTION PHASE Z |
||
|
7 |
ENTRAÎNEMENT DE RELAIS ESS |
Courant max. : I < 180mA Tension faible de sortie max.: V < 1,2 V |
|
|
8 |
ENTRAÎNEMENT DE RELAIS HAC |
||
|
36 |
CONTRÔLE DE L'ÉTAT DU RELAIS |
Tension d'entrée (basse) : V < 2 V Tension d'entrée (haute) : V > 6 V Courant d'entrée max. : I < 10 mA (@ 12,8 V) |
|
Description et fonctionnement
Recherche de pannesCommande d'admission d'air
Ce bouton permet de choisir l'air extérieur ou la recirculation de l'air dans
l'habitacle.
Pour changer la position de la commande d'admission d'air, appuyez sur le bouton.
Position de recirculation d'air
Le témoin du bouton s'allume quand le réglage est en position de recirculation.
Qu ...
EBD (Répartiteur Électronique de Freinage): Description et fonctionnement
Description
Le système EBD (Répartiteur électronique de freinage), qui constitue un sous-ensemble
du système ABS, a pour fonction de contrôler l'adhérence des roues arrière.
Il tire au mieux parti d'équipements ABS de pointe et contrôle le patinage des
...