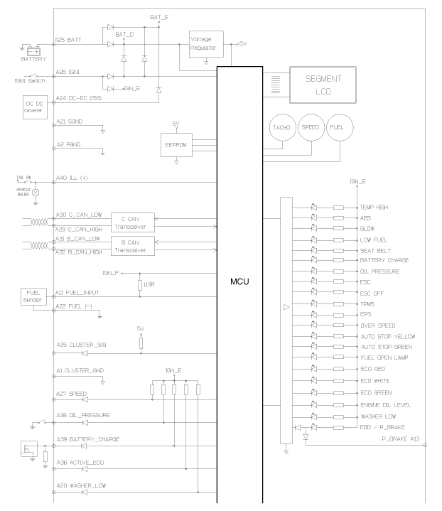
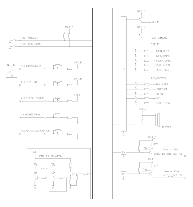
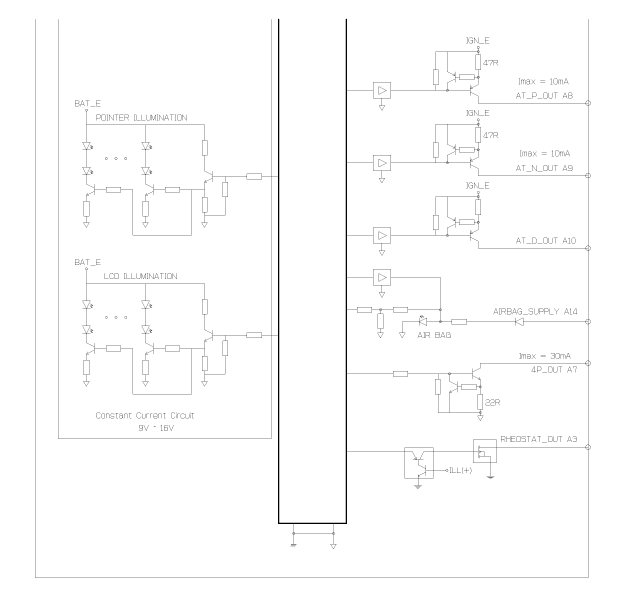
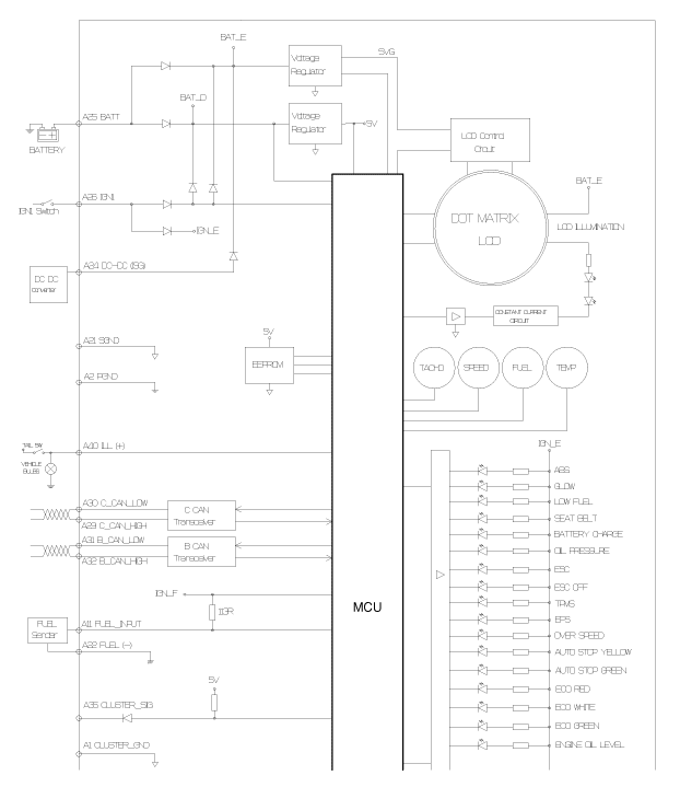
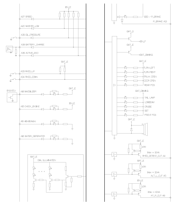
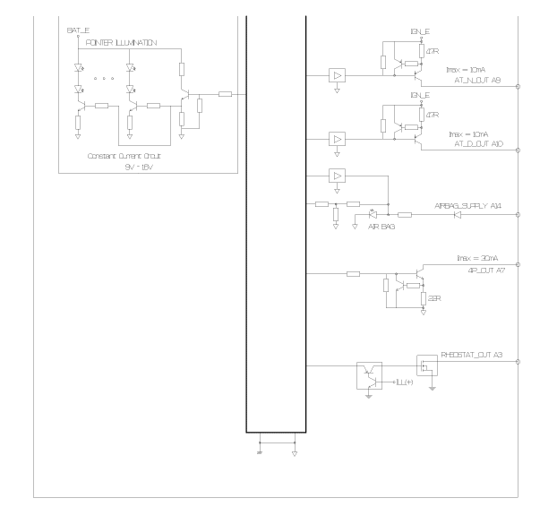
| Schéma du circuit |
| [STANDARD] |



| [Supervision] |



Composants et emplacement des composants
Procédures de réparationEn cas de crevaison (avec une trousse de réparation de pneu)
Afin d'assurer un fonctionnement sûr, lisez et suivez les directrices dans ce
manuel avant l'utilisation.
(1) Compresseur
(2) Bouteille de scellant
La trousse de réparation des pneus ne sert qu'à la réparation temporaire d'un
pneu et le pneu devrait être inspecté chez un concessionnai ...
Commutateur de lave-glace/ essuie-glace arrière (5 portes)
Appuyez sur le commutateur pour actionner l'essuie-glace arrière.
Appuyez de nouveau sur le commutateur pour arrêter l'essuie-glace arrière.
ON - Fonctionnement normal des essuie-glace
INT - Fonctionnement par intermittence (si équipé)
OFF - L'essuie-glace est éteint
Poussez le levier ...